| |
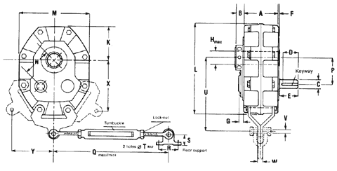
Shaft-Mount
Reducers

Unit Size |
A |
B |
C |
D |
E |
F |
KWY |
G |
Hmax |
K |
L |
M |
107 |
4.29 |
1.60 |
3/4 |
2.27 |
2.36 |
.14 |
3/16 x 3/32 |
0.39 |
1 7/16 |
3.56 |
9.640 |
7.800 |
115 |
4.72 |
1.26 |
1 |
2.12 |
2.36 |
.14 |
1/4 x 1/8 |
0.63 |
2 |
3.94 |
10.59 |
8.420 |
203 |
5.15 |
1.50 |
1 1/4 |
2.95 |
3.15 |
.27 |
1/4 x 1/8 |
1.14 |
2 3/16 |
4.64 |
12.59 |
9.920 |
207 |
5.79 |
1.50 |
1 3/8 |
2.95 |
3.15 |
.12 |
5/16 x 5/32 |
0.83 |
2 7/16 |
5.23 |
14.21 |
11.18 |
215 |
6.69 |
1.42 |
1 15/16 |
4.13 |
4.33 |
.47 |
1/2 x 1/4 |
1.06 |
2 15/16 |
5.75 |
15.55 |
12.44 |
307 5:1 |
8.18 |
1.69 |
1 1/2 |
4.13 |
4.33 |
.43 |
3/8 x 3/16 |
0.59 |
3 7/16 |
6.50 |
17.80 |
14.06 |
307 15:1, 25:1 |
8.18 |
1.69 |
1 15/16 |
4.13 |
4.33 |
.43 |
1/2 x 1/4 |
0.59 |
3 7/16 |
6.50 |
17.80 |
14.06 |
315 5:1 |
9.37 |
1.57 |
1 15/16 |
4.13 |
4.33 |
.31 |
1/2 x 1/4 |
1.00 |
3 15/16 |
7.40 |
20.35 |
16.06 |
315 15:1, 25:1 |
9.37 |
1.57 |
2 1/8 |
4.13 |
4.33 |
.31 |
1/2 x 1/4 |
1.00 |
3 15/16 |
7.40 |
20.35 |
16.06 |
Unit Size |
N |
P |
Qmin* |
Qmax |
R |
S |
T
bolt |
U |
V |
W |
X |
Y |
Weight
(lbs.) |
107 |
3.35 |
3.03 |
30.71 |
35.8 |
2.50 |
1.10 |
3/8 |
8.270 |
.63 |
.39 |
5.510 |
4.41 |
48 |
115 |
3.62 |
3.35 |
30.71 |
35.8 |
3.00 |
1.10 |
7/16 |
8.940 |
.63 |
.39 |
6.030 |
4.84 |
53 |
203 |
4.21 |
3.78 |
30.71 |
35.8 |
3.00 |
1.10 |
7/16 |
10.24 |
.63 |
.39 |
6.970 |
5.47 |
76 |
207 |
4.96 |
4.45 |
30.71 |
35.8 |
3.75 |
1.50 |
1/2 |
11.42 |
.63 |
.39 |
8.030 |
6.14 |
112 |
215 |
5.71 |
5.20 |
30.71 |
35.8 |
4.75 |
1.50 |
1/2 |
13.07 |
.63 |
.47 |
9.180 |
7.52 |
150 |
307 |
6.46 |
5.79 |
29.13 |
35.4 |
4.13 |
1.77 |
5/8 |
14.88 |
.69 |
.63 |
10.40 |
8.35 |
210 |
315 |
7.56 |
6.77 |
29.13 |
35.4 |
4.13 |
1.77 |
5/8 |
17.28 |
.69 |
.79 |
12.05 |
9.76 |
348 |
Nominal Ratio |
Unit Size |
107 |
115 |
203 |
207 |
215 |
307 |
315 |
5:1 |
5.500 |
5.6150 |
5.3570 |
5.615 |
5.5000 |
5.6920 |
5.5000 |
15:1 |
15.54 |
14.548 |
14.539 |
15.24 |
14.410 |
14.749 |
14.663 |
25:1 |
24.75 |
26.065 |
24.489 |
25.67 |
24.354 |
24.287 |
24.750 |
|